企業文化建設十大創新單位
摘要 : 鑄造箱體的材料一般是灰鑄鐵(HT200、HT250),或球墨鑄鐵。焊接箱體的材料一般是Q345。
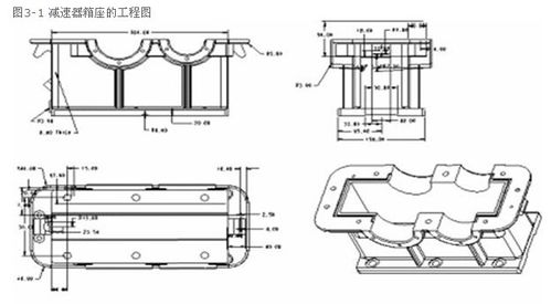
對于減速器箱座的工程圖,一般情況下需繪制各個零件的平面視圖,部件裝配體的平面視圖,總裝配體的平面視圖。這里僅以箱座零件圖作為示例,給出它的示例如圖3-1所示。
鑄造箱體的材料一般是灰鑄鐵(HT200、HT250),或球墨鑄鐵。
泰東公司生產的焊接減速機箱體的切割鋼板材料一般是Q235或者Q345。如果需求特種材料,可以聯系我們進行個性化非標產品定制。
穩流器
減速機箱體軸承室
國標法蘭
百噸胎模-鋼板鉚焊件
KR脫硫劑
KR脫硫攪拌槳
擋渣棒
二甲酚
沖壓法蘭毛坯
中間包整體承包服務
鋼板切割定制件-破碎錘頭
鋼板非標產品加工-健身器材用
減速機箱體
剛玉質澆注料
溝槽擋渣球
日標法蘭
限位塊—鋼板切割
大型渣車
機械設備輻板
蒸發室式脫硫噴槍
20230213泰東環保公司廢鋼、鐵屑處理招標(機加工院內)
泰東公司國家863計劃子課題通過國家科技部專家現場檢查
張凱芳創新工作室獲萊蕪市勞模創新工作室稱號
2023.02.14日照鋁線招標報價表
萊鋼泰東耐火材料優化烘烤曲線降低生產成本
優質服務拓展業務 樹立泰東服務品牌
20230217泰東冶金公司廢鋼處理招標
快速導航
山東泰東實業有限公司版權所有備案號:魯ICP備13020245號-1
公司地址:山東省濟南市鋼城區雙泉路
公司辦公室電話:0531-76822541萊鋼銷售熱線: 18663483922
全國AAA級信用企業
微信公眾號
共有-條評論